| 产品标题:GQ-6060,KSS,含胶型防滑配线槽,KSS配线器材,台湾KSS,KSS官网,KSS代理 产品ID:VIB20150804121332734 品 牌:KSS凯士士 所在地:中国 上海 价 格:面议 (大量采购价格面议) 库存状态:货期待查 更新日期:2025-11-15 14:27:52 咨询电话:(+86)021-51699285 咨询Q Q: 2695337323 |
KSS,KSS扎带,KSS线槽,kss端子,KSS配线标志,KSS尼龙扎线带,KSS电缆固定头,KSS固定头,PC板隔离柱,KSS接线头,KSS尼龙浪管,KSS管接头,PC板部品,KSS波纹管,KSS金属浪管,KSS尼龙波纹管,KSS扎带固定座,接线端子,KSS接头及套管,KSS闭端端子,KSS配线器材,KSS尼龙铆钉,台湾凯士士KSS
0101 KSS 含胶型防滑配线槽



| 材质: | 采用UL合格之南亚PVC(灰色)制成,通过美规94V-0防火等级,欧规M1防火等级,耐燃性佳,绝缘性良好,不自燃,耐温至85℃。胶层为PE共聚合物 (PE copolymer)。 | |
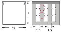
| 构造: | 由槽底及槽盖两部份组成,底槽两侧设出线孔,出线孔4.5mm,以组合后外部之宽、高为规格标准,每侧设有一条刀割式折痕。UL测试温度50℃。 | |
| 特点: | 1. | 两侧出线孔之凸点设计,可在同一出线孔做分层区隔使用。 |
| 2. | 槽底两侧均有一条刀割式折痕线设计,可依安装者需求,折出需要的侧孔大小。 | |
| 3. | 于配线槽上盖挂勾之内面设有「特殊止滑胶层」,能有效增加涩度及黏度,使线槽与上盖密合,防止上盖滑动、脱落,更利垂直上下布线作业,提升施工效率。 | |

![]() 高度 60mm | ![]() 高度 80mm |
高度 60mm | 高度 80mm |
