021-51699285
首页
关于我们
公司简介
关于品牌
荣誉资质
产品中心
电力变压器
控制变压器
整流变压器、自耦变压器
调压器
继电器
电动机保护器系列
新闻中心
公司新闻
行业动态
联系我们
产品展示
C-ZFC200-08-B,真空过滤器
首页
/
产品中心
/
真空过滤器
真空发生器
真空过滤器
产品标题:C-ZFC200-08-B,真空过滤器
产品ID:
VIB20120424010412734
品 牌:
CKT 西克迪
所在地:中国 上海
价 格:面议 (大量采购价格面议)
库存状态:
货期待查
更新日期:2025-11-13 19:05:30
咨询电话:(+86)021-51699285
咨询Q Q:
2695337323
产品简述
C-ZFC200-08-B
真空过滤器
产品详情
产品类别:真空系列 - 真空过滤器
产品名称:C- ZFC系列真空过滤器
产品简介:
型号说明
型号
接管尺寸
流量(l/min)
C-ZFC100-04
φ4
10
C-ZFC100-06
φ6
20
C-ZFC200-06
φ6
30
C-ZFC200-08
φ8
50
规格
使用流体
空气、氮气
使用压力范围
-100至0kPa
最大耐压
0.5MPa
过滤精度
10μm
使用环境及流体温度
0~60℃
滤芯耐压差
0.15MPa
适合插管材料
尼龙、软尼龙、PU软管、极软PU管
真空系统应用
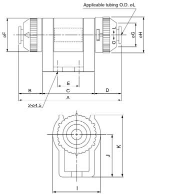
外型尺寸
产品型号
双作用短行程气ADVC-63-25-A-P-A
双作用短行程气ADVC-63-10-A-P
双作用短行程气ADVC-63-15-A-P
双作用短行程气ADVC-63-20-A-P
双作用短行程气ADVC-63-25-A-P
单作用螺纹气缸 AEVC-80-10-I-P-A
单作用螺纹气缸 AEVC-80-25-I-P-A
单作用螺纹气缸 AEVC-80-10-I-P
单作用螺纹气缸 AEVC-80-25-I-P
单作用短行程气AEVC-80-10-A-P-A
单作用短行程气AEVC-80-25-A-P-A
单作用短行程气AEVC-80-10-A-P
单作用短行程气AEVC-80-25-A-P
双作用短行程气ADVC-80-10-I-P-A
前一页
C-ZFC200-06-B,真空过滤器
后一页
C-ZFC200-06-B,真空过滤器
产品中心
更多产品
MORE+
C-ZFC200-08-B,真空过滤器
C-ZFC200-08,真空过滤器
C-ZFC200-06,真空过滤器
C-ZFC100-06-B,真空过滤器
C-ZFC100-06,真空过滤器
C-ZFC100-04-B,真空过滤器
C-ZFC200-06-B,真空过滤器
C-ZFC100-04,真空过滤器
单作用螺纹气缸 AEVC-50-10-I-P-A
单作用螺纹气缸 AEVC-50-25-I-P-A
单作用螺纹气缸 AEVC-50-10-I-P
单作用螺纹气缸 AEVC-50-25-I-P
电话:
021-51699285
传真:
021-51698592
手机:
13611905823
地址:上海市宝山区恒高路127弄6号楼2202室
首 页
关于我们
公司简介
品牌介绍
企业荣誉
产品中心
电力变压器
控制变压器
整流变压器、自耦变压器
调压器
继电器
电动机保护器系列
新闻中心
公司新闻
行业动态
联系我们